电感式传感器 BN20-F2-31
产品类型:电感式传感器
安装方式:非埋入式
检测距离(mm):20mm
确保距离(mm):0...16mm
输出方式:2线AC;常闭
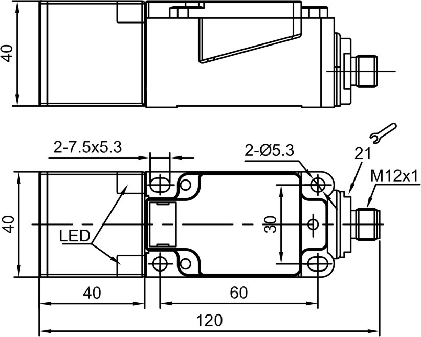
外形规格(方形):40*40*120mm
防护等级:IP67
-
产品功能:标准功能
-
安装方式:非埋入式
-
检测距离:20mm
-
确保距离:0…16mm
-
标准标靶:Fe 60*60*1t
-
输出方式:2线AC
-
输出状态;NC
-
残留电压:≤10V
-
电源电压:20…250VAC
-
负荷电流:≤300mA
-
开关频率:20Hz
-
开关点偏移:≤±10%
-
迟滞范围:1…20%
-
重复误差:≤3%
-
外形规格(方形):40*40*120mm
-
环境温度:-25℃…70℃
-
环境湿度:35-95%RH
-
冲击耐压:1000V/AC 50/60Hz 60s
-
绝缘阻抗:≥50MΩ(500VDC)
-
复振幅:1.5mm 10…50Hz(X,Y,Z方向各2小时)
-
防护等级:IP 67
-
输出指示:黄色LED
-
外壳材料:PBT
-
产品认证:CE
-
连接方式:M12连接器
尺寸图
接线图