最大转速:10000min-1
额定转矩:0.25Nm
最大径向位移:± 0.01 mm
最大轴向位移:± 0.04mm
最大角度偏差:± 0.5°
瞬间惯性:0.06 x 10-7
最大转矩:190Ncm
|
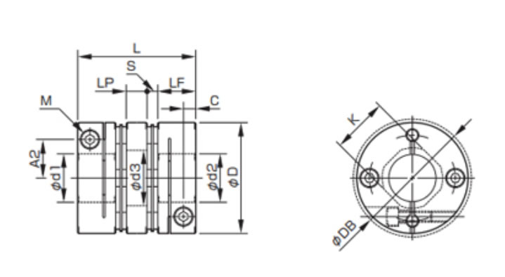
是采用轻型、高强度的强力铝合金制作夹紧毂的板簧式联轴器,扭转刚性很高,可以满足高响应的要求。备有高刚性的单元件型和通过隔板配置两个元件、具有灵活性的双元件型。无论哪种类型都采用了轴径联动型的毂外径,能够降低转动惯量。 |
|
|
技术参数 |
|
| 最大转速 | 10000min-1 |
| 额定转矩 | 0.25Nm |
| 最大径向位移 | ± 0.01 mm |
| 最大轴向位移 | ± 0.04mm |
| 最大角度偏差 | ± 0.5° |
| 瞬间惯性 | 0.06 x 10-7 |
| 最大转矩 | 190Ncm |
| 重量 | 25g |
| 材料 | 铝合金 |
| 总长,外直径,内直径 | 可定制 |
| 尺寸 | |
![]() |
|