专注工业位置测量产品以及解决方案的供应商

+86 21-39520660

DLH-MH 内置式位移传感器

产品类型:内置式位移传感器

安装方式:油缸内置安装, 紧定螺钉固定

可选接口:模拟量;SSI;脉冲信号

工作温度:- 40℃~+85℃

工作电压:24VDC (-15/+20%), 超压保护,反极性保护

防护等级:电子仓: IP67或IP68(定制), 测杆: 35MPa连续/70MPa峰值

  • 技术参数
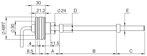
  • 安装尺寸

MH系列产品是美国Parker Hannifin公司的定制产品,电子仓尺寸仅48mm(直径)× 23 mm (厚度),适用于对电子头安装空间有严格要求的内置安装场合。

MH系列产品可选 直出电缆 和 航空插头 两种出线形式,直出电缆产品防护能力较强,航空插头产品安装、维护更为方便。也可根据需要定制高防护等级(IP68)产品。

MH系列产品广泛应用于工程机械、行走机械、橡胶机械等场合。

  • 可选接口:模拟量;SSI;脉冲信号
  • 可选磁环:OD33(螺钉安装); OD25.4(卡环安装); OD17.4(卡环安装)
  • 油缸内置安装, 紧定螺钉固定
  • 电子仓: IP67或IP68(定制), 测杆: 35MPa连续/70MPa峰值
  • 工作温度:- 40℃~+85℃
  • 工作电压:24VDC (-15/+20%), 超压保护, 反极性保护
尺寸图

尺寸图

安装图

安装图

连接图

连接图